DESCRIPTION
The RR A/C relay is switched on by signals from the A/C amplifier. It supplies power to the rear blower motor.
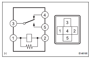
WIRING DIAGRAM

INSPECTION PROCEDURE
1 INSPECT RELAY (RR A/C)

(a) Remove the RR A/C relay from the No. 3 relay block.
(b) Measure the resistance according to the value(s) in the table below.
Standard resistance 


2 CHECK HARNESS AND CONNECTOR (A/C AMPLIFIER - BATTERY)

(a) Disconnect the connector from the A/C amplifier.
(b) Measure the voltage according to the value(s) in the table below.
Standard voltage


PROCEED TO NEXT CIRCUIT INSPECTION SHOWN IN PROBLEM SYMPTOMS TABLE
Rear Air Conditioning Control Panel Circuit
Rear Blower Motor CircuitShort to B+ in Front Passenger Side Squib 2nd
Step Circuit
DTC B1188/56 Short to B+ in Front Passenger Side Squib 2nd
Step Circuit
DESCRIPTION
The front passenger side squib 2nd step circuit consists of the center airbag
sensor assembly and the
front passenger airbag assembly.
The circuit instructs the SRS to deploy when deployment conditions are m ...
Editing the contact data
For PBAP compatible Bluetooth® phones, this function is available when
“Automatic Transfer” is set to off.
Select “Edit Contact”.
Select the desired contact.
Select corresponding to the
desired name or number.
For editing the name
Follow the steps in “Registerin ...
Short to GND in Side Squib LH Circuit
DTC B0117/45 Short to GND in Side Squib LH Circuit
DESCRIPTION
The side squib LH circuit consists of the center airbag sensor assembly and
the front seat side airbag
assembly LH.
This circuit instructs the SRS to deploy when deployment conditions are met.
DTC B0117/45 is recorded when a s ...