DESCRIPTION
The rear evaporator temperature sensor is installed on the rear evaporator. It detects the rear evaporator temperature. The sensor sends a signal to the A/C amplifier. The resistance of the rear evaporator temperature sensor changes in accordance with the rear evaporator temperature. As the temperature decreases, the resistance increases. As the temperature increases, the resistance decreases.
The A/C amplifier applies voltage (5 V) to the rear evaporator temperature
sensor and reads voltage
changes as the resistance of the rear evaporator temperature sensor changes.

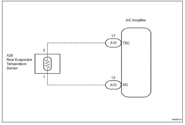
WIRING DIAGRAM

INSPECTION PROCEDURE
1 READ VALUE OF INTELLIGENT TESTER
(a) Connect the intelligent tester to the DLC3.
(b) Turn the ignition switch to the ON position and turn the intelligent tester main switch on.
(c) Select the item below in the DATA LIST, and read the display on the intelligent tester.
DATA LIST / AIR CONDITIONER: 
OK: The display is as specified in the normal condition column.
Result 


2 INSPECT REAR EVAPORATOR TEMPERATURE SENSOR

(a) Remove the rear evaporator temperature sensor.
(b) Measure the resistance according to the value(s) in the table below.

Standard resistance 
NOTICE:
HINT: As the temperature increases, the resistance decreases (see the graph).


3 CHECK HARNESS AND CONNECTOR (REAR EVAPORATOR TEMPERATURE SENSOR - A/C AMPLIFIER)

(a) Disconnect the rear evaporator temperature sensor connector.

(b) Disconnect the A/C amplifier connector.
(c) Measure the resistance according to the value(s) in the table below.
Standard resistance 


REPLACE A/C AMPLIFIER
Evaporator temperature sensor circuit
Rear Room Temperature Sensor CircuitActive test
HINT:
Performing an ACTIVE TEST enables components
including the relays, VSV (Vacuum Switching Valve), and
actuators, to be operated without removing any parts.
The ACTIVE TEST can be performed with an intelligent
tester. Performing an ACTIVE TEST in the first step in
troubleshooting is one ...
Registration Complete Indication Error/ Registration Demand Transmission/
Multiple Frame Incomplete
DTC 01-E0 Registration Complete Indication Error
DTC 01-E3 Registration Demand Transmission
DTC 01-E4 Multiple Frame Incomplete
DESCRIPTION
DTC No.
DTC Detection Condition
Trouble Area
01-E0
"Registration complete" signal from the master device
c ...
Sensor signal check by test mode (signal check) (when using intelligent
tester)
(a) When having replaced the skid control ECU and/or
yaw rate and deceleration sensor, perform zero
point calibration of the yaw rate and deceleration
sensor.
HINT:
If the ignition switch is turned from the ON
position to the ACC or off during test mode
(signal check), DTCs of the signal ...