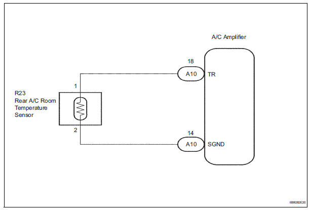
DESCRIPTION
This sensor detects the rear cabin temperature that is used as the basis for
temperature control and
sends a signal to the A/C amplifier.
WIRING DIAGRAM

INSPECTION PROCEDURE
1 READ VALUE OF INTELLIGENT TESTER
(a) Connect the intelligent tester to the DLC3.
(b) Turn the ignition switch to the ON position and turn the intelligent tester main switch on.
(c) Select the item below in the DATA LIST, and read the display on the intelligent tester.
DATA LIST / AIR CONDITIONER: 
OK: The display is as specified in the normal condition column.
Result 


2 INSPECT REAR A/C ROOM TEMPERATURE SENSOR

(a) Remove the rear A/C room temperature sensor.
(b) Measure the resistance according to the value(s) in the table below.
Standard resistance 
NOTICE:
HINT: As the temperature increases, the resistance decreases (see the graph).

3 CHECK HARNESS AND CONNECTOR (REAR A/C ROOM TEMPERATURE SENSOR - A/C AMPLIFIER)

(a) Disconnect the connector from the A/C amplifier.

(b) Disconnect the connector from the rear A/C room temperature sensor.
(c) Measure the resistance according to the value(s) in the table below.
Standard resistance 


REPLACE A/C AMPLIFIER
Rear evaporator temperature sensor circuit
Solar Sensor Circuit (Passenger Side)Perform zero point calibration of yaw rate and deceleration sensor (when
using intelligent tester)
(a) Connect the intelligent tester to the DLC3.
(b) Turn the ignition switch to the ON position.
(c) Operate the intelligent tester to erase the codes
(select "RESET MEMORY").
HINT:
Refer to the intelligent tester operator's manual for
further details.
(d) Using the intell ...
Bulb locations
Front
Vehicles without daytime running lights or with bulb type daytime
running lights
Headlight high beam and daytime
running lights (if equipped)
Headlight low beam
(halogen bulb)
Fog light (if equipped)
Front turn signal/parking and
front side marker lights
Vehic ...
If your vehicle has to
be stopped in an
emergency
Only in an emergency, such as if it becomes impossible to stop
the vehicle in the normal way, stop the vehicle using the following
procedure:
Steadily step on the brake pedal with both feet and firmly depress it.
Do not pump the brake pedal repeatedly as this will increase the effort
requi ...