DTC B1214 Short to B+ in Door System Communication Bus Malfunction
DTC B1215 Short to GND in Door System Communication Bus Malfunction
DESCRIPTION
DTCs B1214 and B1215 are output when a short to +B or the body ground occurs on the communication bus. Detecting this condition disables all the BEAN communication and outputs some DTCs.
|
DTC No. |
DTC Detection Condition |
Trouble Area |
|
B1214 |
Communication circuit and +B battery system short |
|
|
B1215 |
Communication circuit and body ground short |
|
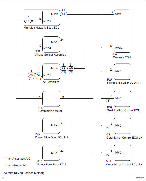
WIRING DIAGRAM

INSPECTION PROCEDURE
NOTICE: Disconnect connectors in operational sequence, and start the next operation after the connectors are connected
1 CHECK DTC (MULTIPLEX NETWORK BODY ECU - COMBINATION METER)

OK: DTC B1214 or B1215 is not output.
HINT: When the output of the DTC stops, there is a malfunction between the B7 connector of the multiplex network body ECU and the combination meter.
2 CHECK DTC (COMBINATION METER)

OK: DTC B1214 or B1215 is not output.
HINT: When the output of the DTC stops, the combination meter is malfunctioning.
3 CHECK DTC (A/C AMPLIFIER)

OK: DTC B1214 or B1215 is not output.
HINT: When the output of the DTC stops, the A/C amplifier is malfunctioning.
4 CHECK HARNESS AND CONNECTOR (COMBINATION METER - A/C AMPLIFIER)

OK: DTC B1214 or B1215 is not output.
HINT: When the output of the DTC stops, the wire harness between the combination meter and the A/C amplifier is malfunctioning.
5 CHECK DTC (AIRBAG SENSOR ASSEMBLY)

OK: DTC B1214 or B1215 is not output.
HINT: When the output of the DTC stops, the airbag sensor assembly is malfunctioning.
6 CHECK HARNESS AND CONNECTOR (A/C AMPLIFIER - AIRBAG SENSOR ASSEMBLY)

OK: DTC B1214 or B1215 is not output.
HINT: When the output of the DTC stops, the wire harness between the A/C amplifier and airbag sensor assembly is malfunctioning.
7 CHECK DTC (MULTIPLEX NETWORK BODY ECU)

OK: DTC B1214 or B1215 is not output.
HINT: When the output of the DTC stops, the multiplex network body ECU is malfunctioning.
REPAIR OR REPLACE HARNESS OR CONNECTOR (AIRBAG SENSOR ASSEMBLY - MULTIPLEX NETWORK BODY ECU)
8 CHECK DTC (POWER SLIDE DOOR ECU LH)

OK: DTC B1214 or B1215 is not output.
HINT: When the output of the DTC stops, the power slide door ECU LH is malfunctioning
9 CHECK DTC (POWER SLIDE DOOR ECU RH)

OK: DTC B1214 or B1215 is not output.
HINT: When the output of the DTC stops, the power slide door ECU RH is malfunctioning.
10 CHECK DTC (POWER BACK DOOR ECU)

OK: DTC B1214 or B1215 is not output.
HINT: When the output of the DTC stops, the power back door ECU is malfunctioning.
11 CONFIRM MODEL
Result

12 CHECK DTC (SEAT POSITION CONTROL ECU)

OK: DTC B1214 or B1215 is not output.
HINT: When the output of the DTC stops, the seat position control ECU is malfunctioning.
13 CHECK DTC (OUTER MIRROR CONTROL ECU LH)

OK: DTC B1214 or B1215 is not output.
HINT: When the output of the DTC stops, the outer mirror control ECU LH is malfunctioning.
14 CHECK DTC (OUTER MIRROR CONTROL ECU RH)

OK: DTC B1214 or B1215 is not output.
HINT: When the output of the DTC stops, the outer mirror control ECU RH is malfunctioning.
15 CHECK HARNESS AND CONNECTOR

HINT: *1: with Driving position memory
Standard voltage


HINT: *1: with Driving position memory
Standard resistance

HINT: *1: with Driving position memory
REPLACE MULTIPLEX NETWORK GATEWAY ECU
Driver Side Outer Mirror
Rear Door ECU RH Communication StopCooling system
On-vehicle inspection
1. INSPECT FOR COOLANT LEAK
CAUTION:
Do not remove the radiator cap while the engine and
radiator are still hot. Pressurized, hot engine coolant
and steam may be released and cause serious
burns.
NOTICE:
Before performing each inspection, turn the A/ ...
Vehicle Speed Sensor Malfunction
DTC P0500 Vehicle Speed Sensor Malfunction
DTC P0503 Vehicle Speed Sensor "A" Intermittent / Erratic /
High
DESCRIPTION
The cruise control system uses the same vehicle speed signal that is sent to the
ECM for the SFI system.
If DTC P0500 is detected, perform the diagnosis using th ...
Removal
1. REMOVE FRONT DOOR LOWER FRAME BRACKET GARNISH
2. REMOVE FRONT DOOR INSIDE HANDLE BEZEL PLUG
3. REMOVE FRONT DOOR ARMREST BASE PANEL
ASSEMBLY
4. REMOVE BACK FRAME PLATE
5. REMOVE POWER WINDOW REGULATOR MASTER SWITCH ASSEMBLY
6. REMOVE FRONT DOOR TRIM BOARD SUBASSEMBLY
7. REMOVE OUTER RE ...