DESCRIPTION
The television display assembly sends a sound signal to the radio receiver through this circuit.
The sound signal that has been sent is amplified by the stereo component amplifier or radio receiver (built-in amplifier), and then is sent to the speakers.
If there is an open or short in the circuit, sound cannot be heard from the speakers even if there is no malfunction in the stereo component amplifier, radio receiver, or speakers.
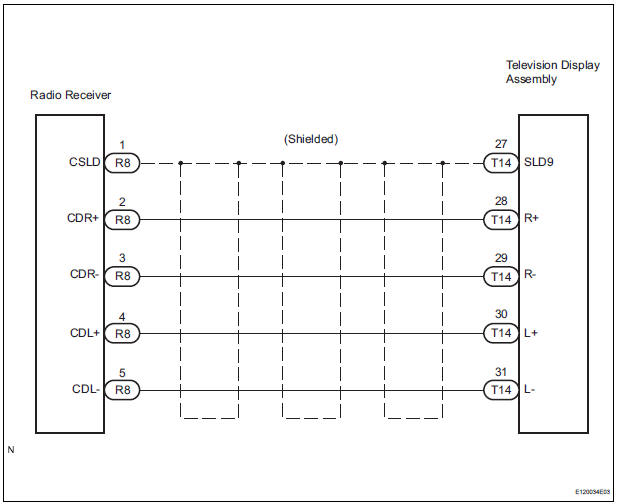
WIRING DIAGRAM

INSPECTION PROCEDURE
1 CHECK HARNESS AND CONNECTOR (RADIO RECEIVER - TELEVISION DISPLAY ASSEMBLY)

Standard resistance

2 INSPECT TELEVISION DISPLAY ASSEMBLY

Standard

PROCEED TO NEXT CIRCUIT INSPECTION SHOWN IN PROBLEM SYMPTOMS TABLE
Sound Signal Circuit between Radio Receiver and Stereo Component
Amplifier
Sound Signal Circuit between Radio Receiver and Stereo Jack AdapterThrottle / Pedal Position Sensor / Switch "D"
Circuit Range / Performance
DTC P2121 Throttle / Pedal Position Sensor / Switch "D"
Circuit Range / Performance
HINT:
This DTC relates to the Accelerator Pedal Position (APP) sensor.
DESCRIPTION
Refer to DTC P2120
MONITOR DESCRIPTION
The accelerator pedal position sensor is mounted on the accelerator pedal ...
Jam Protection Function Activates During Power Slide Door LH
Operation
DESCRIPTION
It may be caused by ill-fitting slide door, faulty touch sensor or
faulty pulse sensor.
The power slide door ECU activates the slide motor to open / close
the power slide door, thus
controlling the power slide door operation. For jam and foreign object
detect ...
The Rear Cross Traffic Alert function detection areas
The areas that vehicles can be detected in are outlined below.
To give the driver a more consistent time to react, the buzzer can alert
for faster vehicles from farther away.
Example:
The Rear Cross Traffic Alert function is operational when
The BSM main switch is set to on.
The ...