DESCRIPTION
The park/neutral position switch detects the shift lever position and sends signals to the ECM.

MONITOR DESCRIPTION
These DTCs indicate a problem with the park/neutral position switch and the wire harness in the park/ neutral position switch circuit.
The park/neutral position switch detects the shift lever position and sends a signal to the ECM.
For security, the park/neutral position switch detects the shift lever position so that engine can be started only when the shift lever is in the P or N position The park/neutral position switch sends a signal to the ECM according to the shift position (P, R, N or D).
The ECM determines that there is a problem with the switch or related parts if in receives more than 1 position signal simultaneously. The ECM will turn on the MIL and store the DTC.
MONITOR STRATEGY

TYPICAL ENABLING CONDITIONS

TYPICAL MALFUNCTION THRESHOLDS
1. One of the following conditions are met: Condition (A), (B), (C) and (D)

COMPONENT OPERATING RANGE
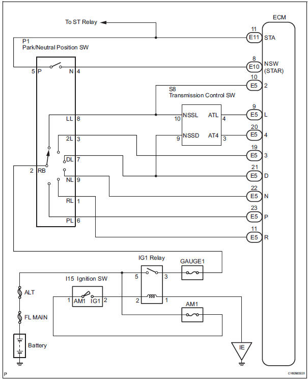
WIRING DIAGRAM

1 INSPECT PARK/NEUTRAL POSITION SWITCH ASSEMBLY

(a) Disconnect the park/neutral position switch connector.
(b) Measure resistance according to the value(s) in the table below when the shift lever is moved to each position.
Standard resistance


2 INSPECT SHIFT LOCK CONTROL UNIT ASSEMBLY

(a) Connect the park/neutral position switch connector.
(b) Disconnect the transmission control switch connector of shift lock control unit assembly.
(c) Measure resistance according to the value(s) in the table below when the shift lever is moved to each position.
Standard resistance


3 CHECK HARNESS AND CONNECTOR (PARK/NEUTRAL POSITION SWITCH - ECM)

(a) Connect the transmission control switch connector of shift lock control unit assembly.
(b) Turn the ignition switch to the ON position, and measure the voltage according to the value(s) in the table below when the shift lever is moved to each position.
Standard voltage

HINT: *: The voltage will drop slightly due to lighting up of the back up light.

REPLACE ECM
Diagnostic trouble code chart
Transmission Fluid Temperature Sensor "A"Removal
1. DRAIN BRAKE FLUID
NOTICE:
Wash brake fluid off immediately if it adheres to any
painted surface.
2. DISCONNECT BATTERY NEGATIVE TERMINAL
3. REMOVE AIR CLEANER ASSEMBLY WITH HOSE
4. REMOVE BRAKE ACTUATOR WITH BRACKET
(a) Release the latch of the brake actuator connector to
disconnect t ...
Zero Point Calibration of Yaw Rate Sensor Undone
DESCRIPTION
The skid control ECU receives signals from the yaw rate sensor via CAN
communication system.
Yaw rate sensor has the built-in deceleration sensor.
If there is trouble in the bus lines between the yaw rate and deceleration
sensor and CAN communication
system, the DTC U0123 ...
Oxygen (A/F) Sensor Heater Control Circuit
HINT
Although the DTC titles say the oxygen sensor, these DTCs relate to the
Air-Fuel Ratio (A/F) sensor.
Sensor 1 refers to the sensor mounted in front of the Three-Way
Catalytic Converter (TWC) and
located near the engine assembly.
DESCRIPTION
Refer to DTC P2195 (See page ES- ...