DESCRIPTION
The FUEL PUMP relay switches the fuel pump speed according to the engine conditions. The fuel pump operates when the ECM receives the starter-operating signal (STA) and crankshaft-rotating signal (NE).
The FUEL PUMP relay is turned ON while the engine is idling or operating at low load. This causes current to flow through the fuel pump resistor to the fuel pump. The fuel pump then operates at low speed.
The FUEL PUMP relay is turned OFF while the engine is cranking or operating at high load. The fuel pump then operates at normal speed.

WIRING DIAGRAM

INSPECTION PROCEDURE
1 CHECK FUEL PUMP
(a) Check if there is pressure in the fuel inlet hose.
HINT:
If there is fuel pressure, the sound of fuel flowing will be heard.

2 PERFORM ACTIVE TEST BY INTELLIGENT TESTER (OPERATE C/OPN RELAY)
(a) Connect the intelligent tester to the DLC3.
(b) Turn the ignition switch to the ON position and turn the intelligent tester or the OBD II scan tool main switch on.
(c) Enter the following menus: DIAGNOSIS / ENHANCED OBD II / ACTIVE TEST / FUEL PUMP / SPD.
(d) Check the relay operation while operating it using the intelligent tester.
Standard: Operating noise can be heard from the relay.


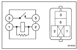
3 INSPECT RELAY (C/OPN RELAY)

(a) Remove the C/OPN relay from the engine room junction block.
(b) Measure the resistance according to the value(s) in the table below.
Standard resistance 
(c) Reinstall the C/OPN relay.

4 INSPECT ECM (FC VOLTAGE)

(a) Turn the ignition switch to the ON position.
(b) Measure the voltage according to the value(s) in the table below.
Standard voltage 

5 CHECK HARNESS AND CONNECTOR (ECM - C/OPN RELAY)

(a) Disconnect the E4 ECM connector.
(b) Remove the C/OPN relay from the engine room junction block.
(c) Measure the resistance according to the value(s) in the table below.
Standard resistance: 
(d) Reconnect the ECM connector.
(e) Reinstall the C/OPN relay.

6 CHECK FUSE (IGN FUSE)

(a) Remove the IGN fuse from the driver side junction block.
(b) Measure the resistance according to the value(s) in the table below.
Standard resistance: Below 1 Ω
(c) Reinstall the IGN fuse.

7 CHECK HARNESS AND CONNECTOR (C/OPN RELAY - IGNITION SWITCH)

a) Reconnect the I15 ignition switch connector.
(b) Remove the C/OPN relay from the engine room junction block.
(c) Measure the resistance according to the value(s) in the table below.
Standard resistance: 
(d) Reconnect the ignition switch connector.
(e) Reinstall the C/OPN relay.

8 CHECK ECM POWER SOURCE CIRCUIT

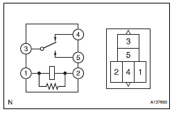
9 INSPECT RELAY (FUEL PUMP RELAY)

(a) Remove the fuel pump relay from the engine room junction block.
(b) Measure the resistance according to the value(s) in the table below.
Standard resistance 
(c) Reinstall the fuel pump relay.

10 INSPECT FUEL PUMP

(a) Measure the resistance of the fuel pump.
(1) Measure the resistance according to the value(s) in the table below.
Standard resistance 
(b) Check operation of the fuel pump.
(1) Apply battery voltage to both terminals. Check that the pump operates.
NOTICE:
|


11 CHECK HARNESS AND CONNECTOR (FUEL PUMP - FUEL PUMP RELAY)

(a) Check the wire harness between the FUEL PUMP relay and fuel pump.
(1) Remove the FUEL PUMP relay from the engine room junction block.
(2) Disconnect the F20 fuel pump connector.
(3) Measure the resistance according to the value(s) in the table below.
Standard resistance 

12 CHECK HARNESS AND CONNECTOR (FUEL PUMP - BODY GROUND)

(a) Check the wire harness between the fuel pump and body ground.
(1) Disconnect the F20 fuel pump connector.
(2) Measure the resistance between the terminal of the wire harness side connector and body ground.
Standard resistance 
(b) Reinstall the FUEL PUMP relay.
(c) Reconnect the fuel pump connector.


13 CHECK HARNESS AND CONNECTOR (C/OPN RELAY - FUEL PUMP RELAY)

(a) Remove the C/OPN relay from the engine room junction block.
(b) Remove the FUEL PUMP relay from the engine room junction block.
(c) Measure the resistance according to the value(s) in the table below.
Standard resistance:
(d) Reinstall the C/OPN relay.
(e) Reinstall the FUEL PUMP relay.


14 INSPECT FUEL PUMP RESISTOR

(a) Disconnect the F24 fuel pump resistor connector.
(b) Measure the resistance according to the value(s) in the table below.
Standard resistance 
(c) Reconnect the fuel pump resistor connector.

15 CHECK HARNESS AND CONNECTOR (FUEL PUMP RELAY - FUEL PUMP RESISTOR)

(a) Disconnect the F24 fuel pump resistor connector.
(b) Remove the FUEL PUMP relay from the engine room junction block.
(c) Measure the resistance according to the value(s) in the table below.
Standard resistance: 
(d) Reconnect the fuel pump resistor connector.
(e) Reinstall the FUEL PUMP relay.

16 CHECK HARNESS AND CONNECTOR (FUEL PUMP RESISTOR - FUEL PUMP)

(a) Disconnect the F24 fuel pump resistor connector.
(b) Disconnect the F20 fuel pump connector.
(c) Measure the resistance according to the value(s) in the table below.
Standard resistance: 
(d) Reconnect the fuel pump resistor connector.
(e) Reconnect the fuel pump connector.

PROCEED TO NEXT CIRCUIT INSPECTION SHOWN IN PROBLEM SYMPTOMS TABLE (See page ES-27)
VC Output Circuit
Cranking Holding Function CircuitSound Signal Circuit between Radio Receiver and Stereo Component
Amplifier
DESCRIPTION
The radio receiver sends a sound signal to the stereo component amplifier
through this circuit.
The sound signal that has been sent is amplified by the stereo component
amplifier, and then is sent to
the speakers.
If there is an open or short in the circuit, sound cannot be h ...
Throttle Actuator Control Throttle Body Range /
Performance
DTC P2119 Throttle Actuator Control Throttle Body Range /
Performance
DESCRIPTION
The Electronic Throttle Control System (ETCS) is composed of the throttle
actuator, Throttle Position (TP)
sensor, Accelerator Pedal Position (APP) sensor, and ECM. The ECM operates the
throttle actuator to
re ...
How to proceed with
troubleshooting
HINT:
Troubleshoot in accordance with the procedures on the
following pages
1 VEHICLE BROUGHT TO WORKSHOP
2 CUSTOMER PROBLEM ANALYSIS CHECK AND SYMPTOM CHECK
3 INSPECT COMMUNICATION FUNCTION OF LARGE-SCALE MULTIPLEX
COMMUNICATION SYSTEM (BEAN)
Use the intelligent tester to check for normal ...