DESCRIPTION
The Multiplex network body ECU controls illumination light as shown in the chart below.
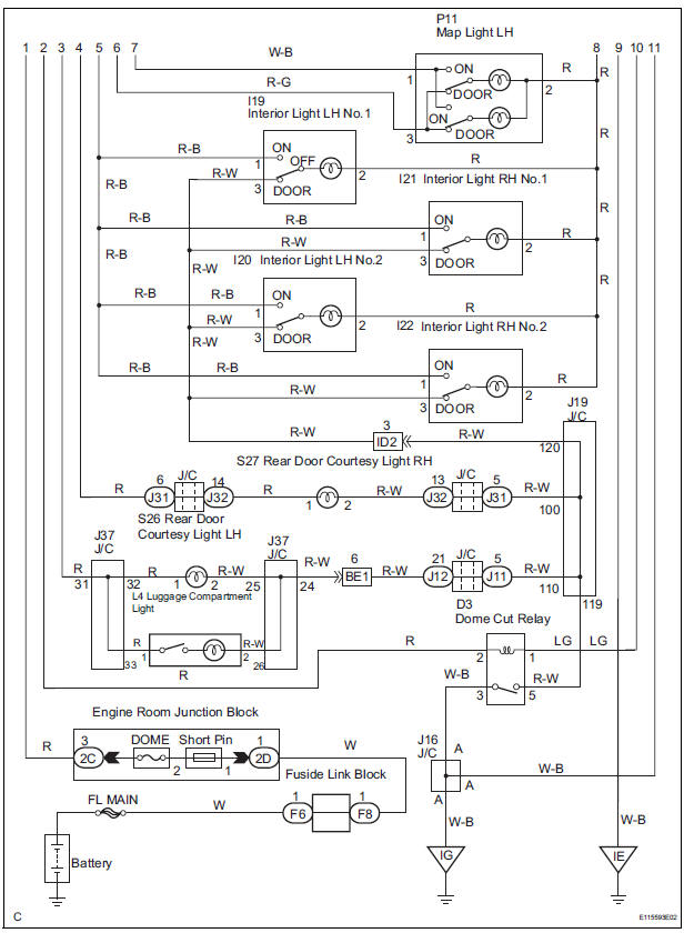
WIRING DIAGRAM


INSPECTION PROCEDURE
1 PERFORM ACTIVE TEST BY INTELLIGENT TESTER
DATA LIST / AIR CONDITIONER

2 INSPECT LIGHT CONTROL RELAY

Resistance

3 INSPECT INTERIOR DOME LIGHT SWITCH ASSEMBLY

Resistance

4 INSPECT INTERIOR LIGHT
5 INSPECT INSTRUMENT PANEL JUNCTION BLOCK ASSEMBLY

Voltage


PROCEED TO NEXT CIRCUIT INSPECTION SHOWN IN PROBLEM SYMPTOMS TABLE
Door LOCK Position Circuit
Parking Brake Switch CircuitPassenger Side Buckle Switch Circuit Malfunction
DTC B1771 Passenger Side Buckle Switch Circuit Malfunction
DESCRIPTION
The passenger side buckle switch circuit consists of the occupant
classification ECU and the front seat
inner belt assembly RH.
DTC B1771 is recorded when a malfunction is detected in the passenger side
buckle switch ci ...
Customer problem analysis
HINT:
In troubleshooting, confirm that the problem symptoms
have been accurately identified. Preconceptions should be
discarded in order to make an accurate judgment. To
clearly understand what the problem symptoms are, it is
extremely important to ask the customer about the
problem an ...
Installation
1. INSTALL REAR AXLE HUB & BEARING ASSEMBLY LH
(a) Install the hub & bearing assembly LH with the 4
bolts.
Torque: 56 N*m (571 kgf*cm, 41 ft.*lbf)
2. INSPECT BEARING BACKLASH (See page AH-19)
3. INSPECT AXLE HUB DEVIATION (See page AH-19)
4. INSTALL REAR DRIVE SHAFT ASSEMBLY LH (Se ...