DTC 01-DF Master Error
DESCRIPTION
|
DTC No. |
DTC Detection Condition |
Trouble Area |
|
01-DF *1 |
The device with a display fails and the master is
switched to the audio device.
Also when a communication error between sub-master (audio) and master occurs, this code is stored |
|
HINT: *1: When 210 seconds have elapsed after disconnecting the power supply connector of the master component with the ignition switch in the ACC or ON position, this code is stored.
NOTICE:
INSPECTION PROCEDURE
NOTICE: Be sure to read DESCRIPTION before performing the following procedures.
1 CHECK RADIO RECEIVER POWER SOURCE CIRCUIT
Refer to the radio receiver power source circuit.
If the power source circuit is operating normally, proceed to the next step.
2 INSPECT RADIO RECEIVER

Standard resistance

*1: 10 Speaker System
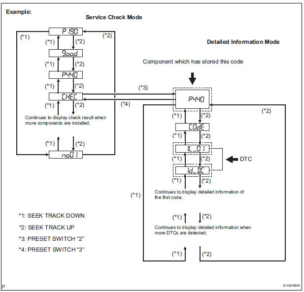
3 IDENTIFY THE COMPONENT WHICH HAS STORED THIS CODE

Component Table:

HINT:
4 CHECK HARNESS AND CONNECTOR (RADIO RECEIVER - COMPONENT WHICH HAS STORED THIS CODE)
HINT: For details of the connectors, refer to the "TERMINALS OF ECU".
OK: There is no open or short circuit.

5 REPLACE RADIO RECEIVER
OK: Same problem does not occur.
END
Master Reset/ Voice Processing Device ON Error
Registration Complete Indication Error/ Registration Demand Transmission/
Multiple Frame IncompleteManual Up / Down and Auto Down Function does not Operate on
Passenger Side Only
DESCRIPTION
If the manual UP/DOWN function does not operate, the power window motor, the
regulator switch or the
wire harness may be malfunctioning.
WIRING DIAGRAM
INSPECTION PROCEDURE
1 CHECK WIRE HARNESS (POWER SOURCE)
Disconnect the P37 regulator switch connector.
Turn ...
Passenger Side Buckle Switch Circuit Malfunction
DTC B1771 Passenger Side Buckle Switch Circuit Malfunction
DESCRIPTION
The passenger side buckle switch circuit consists of the occupant
classification ECU and the front seat
inner belt assembly RH.
DTC B1771 is recorded when a malfunction is detected in the passenger side
buckle switch ci ...
If the battery is
discharged
The following procedures may be used to start the engine if the
vehicle’s battery is discharged.
You can call your Toyota dealer or qualified repair shop.
If you have a set of jumper (or booster) cables and a second vehicle
with a 12-volt battery, you can jump start your vehicle by following ...