DTC 01-DD Master Reset
DTC 01-E1 Voice Processing Device ON Error
DESCRIPTION

HINT:
*1: This code may be stored if the engine is started and the ignition switch is
turned to START position
again.
*2: Even if no fault is present, this trouble code may be stored depending on
the battery condition or
engine start voltage.
NOTICE:
INSPECTION PROCEDURE
NOTICE: Be sure to read DESCRIPTION before performing the following procedures.
1 CHECK RADIO RECEIVER POWER SOURCE CIRCUIT
Refer to the radio receiver power source circuit.
If the power source circuit is operating normally, proceed to the next step.
2 INSPECT RADIO RECEIVER

Standard resistance

*1: 10 Speaker System
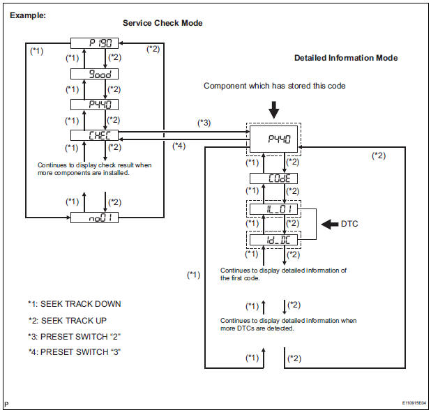
3 IDENTIFY THE COMPONENT WHICH HAS STORED THIS CODE

Component Table

HINT:
4 CHECK HARNESS AND CONNECTOR (RADIO RECEIVER - COMPONENT WHICH HAS STORED THIS CODE)
HINT: For details of the connectors, refer to the "TERMINALS OF ECU".
OK: There is no open or short circuit.

5 REPLACE RADIO RECEIVER
OK: Same problem does not occur.
END
Transmission Error
Master ErrorCD Sound Skips
INSPECTION PROCEDURE
1 CHECK CD
Check the CD.
OK:
The CD is clean.
HINT:
If dirt is on the CD surface, wipe it clean with a soft cloth
from the inside to the outside in a radial direction.
NOTICE:
Do not use a conventional record cleaner or antistatic
preservative.
2 CHECK CD
...
Torque converter clutch and drive plate
Inspection
1. Inspect torque converter clutch assembly
(a) Inspect the one-way clutch.
(1) Set SST into the inner race of the one-way
clutch.
SST 09350-32014 (09351-32010)
(2) Install SST so that it fits in the notch of the
converter hub and outer race of the one-way
clutch.
SST 0 ...
Canceling the rear moon roof operation (vehicles with the rear
moon roof)
Press the switch to disable the
rear moon roof operation from the
rear seat.
Pressing the switch again will
enable the operation again.
The moon roof can be operated when
The engine switch is in the “ON” position (vehicles without a smart key
system)
or IGNITION ON mode (vehicles ...