DESCRIPTION
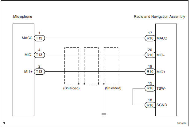
This circuit sends a microphone signal from the microphone to the radio and navigation assembly.
It also supplies power from the radio and navigation assembly to the microphone.
WIRING DIAGRAM

INSPECTION PROCEDURE
1 INSPECT RADIO AND NAVIGATION ASSEMBLY

Standard voltage

2 CHECK HARNESS AND CONNECTOR

Standard resistance

3 CHECK HARNESS AND CONNECTOR (MICROPHONE - RADIO AND NAVIGATION ASSEMBLY)

Standard resistance

PROCEED TO NEXT CIRCUIT INSPECTION SHOWN IN PROBLEM SYMPTOMS TABLE
Display Signal Circuit between Television Display Assembly and Radio
and Navigation Assembly
Stereo Component Amplifier Communication ErrorSteering Angle Sensor Circuit Malfunction
DTC C1231/31 Steering Angle Sensor Circuit Malfunction
DESCRIPTION
The steering angle sensor signal is sent to the skid control ECU through the
CAN communication system.
When there is a malfunction in the communication, it will be detected by the
diagnosis function.
WIRING DIAGRAM
INS ...
Installation
1. INSTALL BRAKE PEDAL SUPPORT ASSEMBLY
(a) Install the brake pedal support sub-assembly with
the 4 nuts.
Torque: 16 N*m (160 kgf*cm, 12 ft.*lbf)
(b) Install the clip and clevis pin to the brake pedal
lever.
(c) Using needle-nose pliers, install the tension spring.
(d) Install the ...
Short in Rear Curtain Shield Squib RH Circuit
DTC B1630/83 Short in Rear Curtain Shield Squib RH Circuit
DESCRIPTION
The rear curtain shield squib RH circuit consists of the center airbag sensor
assembly and the curtain
shield airbag assembly RH.
The circuit instructs the SRS to deploy when deployment conditions are met.
DTC B1630/83 ...