DTC 01-D6 No Master
DTC 01-D7 Connection Check Error
DESCRIPTION

HINT:
NOTICE:
INSPECTION PROCEDURE
NOTICE: Be sure to read DESCRIPTION before performing the following procedures.
1 CHECK RADIO RECEIVER POWER SOURCE CIRCUIT
Refer to the radio receiver power source circuit.
If the power source circuit is operating normally, proceed to the next step.
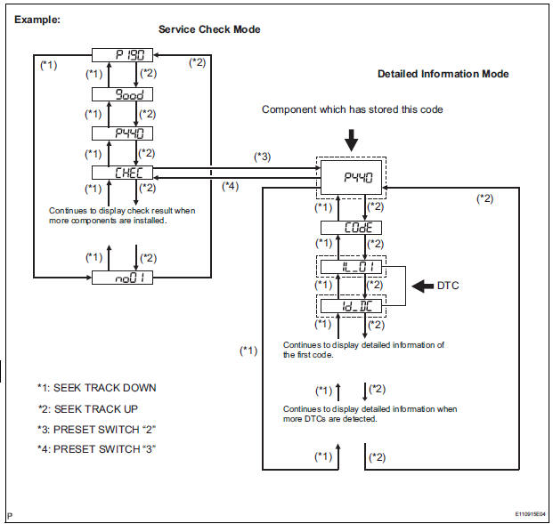
2 IDENTIFY THE COMPONENT WHICH HAS STORED THIS CODE

Component Table:

HINT:
3 CHECK POWER SOURCE CIRCUIT OF COMPONENT WHICH HAS STORED THIS CODE
If the power source circuit is operating normally, proceed to the next step
Component Table:

4 INSPECT RADIO RECEIVER

Standard resistance

*1: 10 Speaker System
5 CHECK HARNESS AND CONNECTOR (RADIO RECEIVER - COMPONENT WHICH HAS STORED THIS CODE)
HINT: For details of the connectors, refer to the "TERMINALS OF ECU".
OK: There is no open or short circuit.

6 REPLACE COMPONENT WHICH HAS STORED THIS CODE
OK: Same problem does not occur
END
Absence of Registration Unit/ No Response for Connection Check/ Last Mode
Error/ No Response Against ON / OFF Command/ Mode Status Error/ Slave Reset
Transmission ErrorInspection
1. INSPECT FUEL INJECTOR ASSEMBLYV
(A) inspect the injector resistance.
(1) Using an ohmmeter, measure the resistance
between the terminals.
Standard resistance
If the resistance is not as specified, replace the
injector.
(b) Inspect the injection volume.
CAUTION:
This test ...
Changing engine switch modes
Modes can be changed by pressing the engine switch with the brake
pedal released. (The mode changes each time the switch is pressed.)
Off*
Emergency flashers can be used.
ACCESSORY mode
Some electrical components such
as the audio system can be used.
The engine switch indicator tu ...
Short to GND in Driver Side Squib 2nd Step Circuit
DTC B1182/19 Short to GND in Driver Side Squib 2nd Step Circuit
DESCRIPTION
The driver side squib 2nd step circuit consists of the center airbag sensor
assembly, the spiral cable and
the steering pad.
The circuit instructs the SRS to deploy when deployment conditions are met.
DTC B1182/19 ...