DTC 01-DC Transmission Error
DESCRIPTION
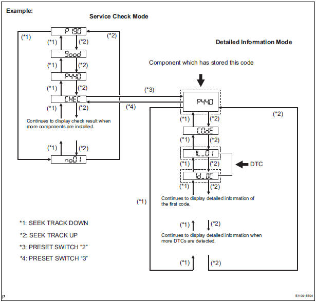
HINT: *1: This code may be stored if the engine is started, idled for 60 seconds and then started again.
NOTICE:
INSPECTION PROCEDURE
NOTICE: Be sure to read DESCRIPTION before performing the following procedures.
1 CHECK FOR DTC OF OTHER COMPONENTS
Result

HINT: For the list of the components shown by sub-codes, refer to the table in step 2.
2 IDENTIFY THE COMPONENT WHICH HAS STORED THIS CODE

Component Table:

HINT:
3 CHECK COMPONENT WHICH HAS STORED THIS CODE
Component Table:

END
4 CLEAR DTC
HINT: If "01-DC" is output for only one component, this may not indicate a malfunction
5 RECHECK DTC
OK: Malfunction disappears.
END
No Master/ Connection Check Error
Master Reset/ Voice Processing Device ON ErrorDisposal
HINT:
When scrapping a vehicle equipped with the SRS or
disposing of the front passenger airbag assembly, be sure to
deploy the airbag first in accordance with the procedure
described below. If any abnormality occurs with airbag
deployment, contact the SERVICE DEPT. of the TOYOTA
MOTOR SALES, ...
Disassembly
1. Remove park/neutral position switch assembly
(A) remove the nut, washer and control shaft lever.
(B) using a screwdriver, unstake the nut stopper, and
remove the lock nut and nut stopper.
(c) Remove the 2 bolts and pull out the park/neutral
position switch.
2. REMOVE BREATHER PLUG H ...
Evaporative Emission System Switching Valve Control Circuit High
DTC SUMMARY
DESCRIPTION
The circuit description can be found in the EVAP (Evaporative Emission)
System (See page ES-404).
INSPECTION PROCEDURE
Refer to the EVAP System (See page ES-404).
MONITOR DESCRIPTION
5 hours*1 after the ignition switch is turned off, the electric vacuum pump
...