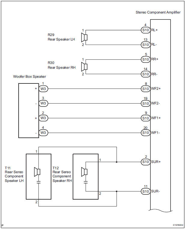
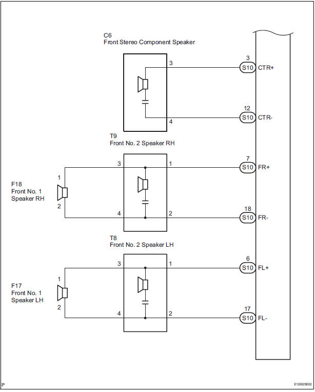
DESCRIPTION
The sound signal that has been amplified by the stereo component amplifier is sent to the speakers from the stereo component amplifier through this circuit.
If there is a short in this circuit, the stereo component amplifier detects it and stops output to the speakers.
Thus sound cannot be heard from the speakers even if there is no malfunction in the stereo component amplifier or speakers.
When a short is detected in the speaker circuit, no sound can be heard from the speakers.
WIRING DIAGRAM


INSPECTION PROCEDURE
1 CHECK HARNESS AND CONNECTOR

Standard resistance: Below 1 Ω
Standard resistance: Below 1 Ω
Standard resistance: Below 1 Ω
Standard resistance: Below 1 Ω
Standard resistance: Below 1 Ω
Standard resistance: Below 1 Ω
Standard resistance: 10 kΩ or higher
2 INSPECT WOOFER BOX SPEAKER

NOTICE: The speaker should not be removed for checking.
Standard resistance

INSPECT FRONT NO. 1 SPEAKER
Standard resistance: 4 to 6 Ω
4 INSPECT FRONT NO. 2 SPEAKER
OK: Malfunction disappears.
HINT:
5 INSPECT REAR SPEAKER
Standard resistance: Approximately 2.6 Ω
6 INSPECT FRONT STEREO COMPONENT SPEAKER
Standard resistance: 1.2 to 2.2 Ω
7 INSPECT REAR STEREO COMPONENT SPEAKER
OK: Malfunction disappears.
HINT:
PROCEED TO NEXT CIRCUIT INSPECTION SHOWN IN PROBLEM SYMPTOMS TABLE
Parking Brake Switch Circuit
Sound Signal Circuit between Radio and Navigation Assembly and
Television Display AssemblyShort in Curtain Shield Squib RH Circuit
DTC B1160/83 Short in Curtain Shield Squib RH Circuit
DESCRIPTION
The curtain shield squib RH circuit consists of the center airbag sensor
assembly and the curtain shield
airbag assembly RH.
The circuit instructs the SRS to deploy when deployment conditions are met.
DTC B1160/83 is record ...
Selecting conventional constant speed control mode
Constant speed control mode differs from vehicle-to-vehicle distance
control mode. When constant speed control mode is selected, your
vehicle will maintain a set speed regardless of whether or not there
are other vehicles in the lane ahead.
Press the “ON-OFF” button to
activate the ...
Removal
1. REMOVE V-BANK COVER SUB-ASSEMBLY (See
page EM-28)
2. REMOVE NO. 1 ENGINE UNDER COVER (See page
EM-26)
3. DRAIN ENGINE COOLANT (See page CO-6)
4. REMOVE FRONT WHEEL RH
5. REMOVE FRONT FENDER APRON SEAL RH
6. REMOVE V-RIBBED BELT (See page EM-6)
7. DISCONNECT NO. 2 RADIATOR HOSE
(a) Di ...