
DESCRIPTION
The fuel trim is related to the feedback compensation value, not to the basic injection time. The fuel trim consists of both the short-term and long-term fuel trims.
The short-term fuel trim is fuel compensation that is used to constantly maintain the air-fuel ratio at stoichiometric levels. The signal from the Air-Fuel Ratio (A/F) sensor indicates whether the air-fuel ratio is rich or lean compared to the stoichiometric ratio. This triggers a reduction in the fuel injection volume if the air-fuel ratio is rich and an increase in the fuel injection volume if it is lean.
Factors such as individual engine differences, wear over time and changes in operating environment cause short-term fuel trim to vary from the central value. The long-term fuel trim, which controls overall fuel compensation, compensates for long-term deviations in the fuel trim from the central value caused by the short-term fuel trim compensation.
If both the short-term and long-term fuel trims are lean or rich beyond predetermined values, it is interpreted as a malfunction, and the ECM illuminates the MIL and sets a DTC.

HINT:
MONITOR DESCRIPTION
Under closed-loop fuel control, fuel injection volumes that deviate from those estimated by the ECM cause changes in the long-term fuel trim compensation value. The long-term fuel trim is adjusted when there are persistent deviations in the short-term fuel trim values. Deviations from the ECM's estimated fuel injection volumes also affect the average fuel trim learning value, which is a combination of the average short-term fuel trim (fuel feedback compensation value) and the average long-term fuel trim (learning value of the air-fuel ratio). If the average fuel trim learning value exceeds the malfunction thresholds, the ECM interprets this as a fault in the fuel system and sets a DTC.
Example: The average fuel trim learning value is more than +35% or less than -35%, the ECM interprets this as a fuel system malfunction.

MONITOR STRATEGY

TYPICAL ENABLING CONDITIONS

TYPICAL MALFUNCTION THRESHOLDS

WIRING DIAGRAM
Refer to DTC P2195 (See page ES-359).
INSPECTION PROCEDURE
HINT:
For use of the intelligent tester only: Malfunctioning areas can be identified by performing the A/F CONTROL function provided in the ACTIVE TEST. The A/F CONTROL function can help to determine whether the Air-Fuel Ratio (A/F) sensor, Heated Oxygen (HO2) sensor and other potential trouble areas are malfunctioning.
The following instructions describe how to conduct the A/F CONTROL operation using the intelligent tester.
1. Connect the intelligent tester to the DLC3.
2. Start the engine and turn the tester on.
3. Warm up the engine at an engine speed of 2500 rpm for approximately 90 seconds.
4. Select the following menu items on the tester: DIAGNOSIS / ENHANCED OBD II / ACTIVE TEST / A/F CONTROL.
5. Perform the A/F CONTROL operation with the engine in an idling condition (press the RIGHT or LEFT button to change the fuel injection volume).
6. Monitor the voltage outputs of the A/F and HO2 sensors (AFS B1S1 and O2S B1S2 or AFS B2S1 and O2S B2S2) displayed on the tester.
HINT:
Standard voltage

| NOTICE: The Air-Fuel Ratio (A/F) sensor has an output delay of a few seconds and the Heated Oxygen (HO2) sensor has a maximum output delay of approximately 20 seconds. |

HINT:
1 CHECK ANY OTHER DTCS OUTPUT (IN ADDITION TO DTC P0171, P0172, P0174 OR P0175)
(a) Connect the intelligent tester to the DLC3.
(b) Turn the ignition switch to the ON position and turn the tester on.
(c) Select the following menu items: DIAGNOSIS / ENHANCED OBD II / DTC INFO / CURRENT CODES.
(d) Read the DTCs.
Result 
HINT:
If any DTCs other than P0171, P0172, P0174 or P0175 are output, troubleshoot those DTCs first.

2 CHECK PCV HOSE CONNECTIONS
OK: PCV hose is connected correctly and is not damaged.

3 CHECK INTAKE SYSTEM
(a) Check the intake system for vacuum leakage.
OK: No leakage from intake system.

4 PERFORM ACTIVE TEST BY INTELLIGENT TESTER (A/F CONTROL)
a) Connect the intelligent tester to the DLC3.
(b) Start the engine and turn the tester on.
(c) Warm up the engine at an engine speed of 2500 rpm for approximately 90 seconds.
(d) Select the following menu items on the tester: DIAGNOSIS / ENHANCED OBD II / ACTIVE TEST / A/F CONTROL.
(e) Perform the A/F CONTROL operation with the engine in an idling condition (press the RIGHT or LEFT button to change the fuel injection volume).
(f) Monitor the voltage outputs of the A/F and HO2 sensors (AFS B1S1 and O2S B1S2 or AFS B2S1 and O2S B2S2) displayed on the tester.
HINT:

Lean: During A/F CONTROL, the A/F sensor output voltage (AFS) is consistently more than 3.35 V, and the HO2 sensor output voltage (O2S) is consistently less than 0.4 V.
Rich: During A/F CONTROL, the AFS is consistently less than 3.0 V, and the O2S is consistently more than 0.55 V.
Lean/Rich: During A/F CONTROL of the ACTIVE TEST, the output voltage of the heated oxygen sensor alternates correctly.

5 READ VALUE OF INTELLIGENT TESTER (COOLANT TEMP)
a) Connect the intelligent tester to the DLC3.
(b) Turn the ignition switch to the ON position and turn the tester on.
(c) Select the following menu items: DIAGNOSIS / ENHANCED OBD II / DATA LIST / PRIMARY / COOLANT TEMP.
(d) Read the COOLANT TEMP twice, when the engine is both cold and warmed up.
Standard: With cold engine: Same as ambient air temperature.
With warm engine: Between 75°C and 95°C (167°F and 203°F)

6 READ VALUE OF INTELLIGENT TESTER (MAF)
(a) Connect the intelligent tester to the DLC3.
(b) Turn the ignition switch to the ON position and turn the tester on.
(c) Select the following menu items: DIAGNOSIS / ENHANCED OBD II / DATA LIST / PRIMARY / MAF and COOLANT TEMP.
(d) Allow the engine to idle until the COOLANT TEMP reaches 75°C (167°F) or more.
(e) Read the MAF with the engine in an idling condition and at an engine speed of 2500 rpm.
Standard: MAF while engine idling: Between 1.8 g/s and 4.7 g/s (shift position: N, A/ C: OFF).
MAF at engine speed of 2500 rpm: Between 7.4 g/s and 18.9 g/s (shift position: N, A/ C: OFF).

7 CHECK FUEL PRESSURE
(a) Check the fuel pressure (See page FU-7).

8 INSPECT FOR EXHAUST GAS LEAK
OK: No gas leakage.

9 CHECK FOR SPARKS AND IGNITION
(a) Check for sparks and ignition (See page ES-217).
HINT:
If the spark plugs or ignition system malfunctions, engine misfire may occur. The misfire count can be read using the intelligent tester. Select the following menu items: DIAGNOSIS / ENHANCED OBD II / DATA LIST / PRIMARY / CYL #1 (to CYL #6).

10 INSPECT FUEL INJECTOR ASSEMBLY (INJECTION AND VOLUME)
(a) Inspect the fuel injector assembly (See page FU-16).
HINT: If the injectors malfunction, engine misfire may occur.
The misfire count can be read using the intelligent tester.
Select the following menu items: DIAGNOSIS / ENHANCED OBD II / DATA LIST / PRIMARY / CYL #1 (to CYL #6)

11 INSPECT AIR FUEL RATIO SENSOR (HEATER RESISTANCE)

(a) Disconnect the A5 or A6 A/F sensor connectors.
(b) Measure the resistance according to the value(s) in the table below.
Standard resistance: 
(c) Reconnect the A/F sensor connectors.
Result 

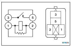
12 INSPECT RELAY (A/F RELAY)

(a) Remove the A/F relay from the No. 6 engine room R/B.
(b) Measure the resistance according to the value(s) in the table below.
Standard resistance 
(c) Reinstall the A/F relay.

13 CHECK HARNESS AND CONNECTOR (A/F SENSOR - ECM)

(a) Disconnect the A5 or A6 A/F sensor connectors.
(b) Turn the ignition switch to the ON position.
(c) Measure the voltage according to the value(s) in the table below.
Standard voltage 
(d) Turn the ignition switch off.
(e) Disconnect the E10 ECM connector.
(f) Measure the resistance according to the value(s) in the table below.
Standard resistance: 
(g) Reconnect the ECM connector.
(h) Reconnect the A/F sensor connectors.



14 REPLACE AIR FUEL RATIO SENSOR
(a) Replace the air fuel ratio sensor (for 2WD model (See page EC-19) or 4WD model (See page EC-26)).

15 PERFORM CONFIRMATION DRIVING PATTERN
(a) Connect the intelligent tester to the DLC3 (Procedure A).
(b) Turn the ignition switch to the ON position and turn the tester on (Procedure B).
(c) Clear the DTCs (See page ES-39) (Procedure C).
(d) Select the check mode using the tester (See page ES- 43) (Procedure D).
(e) Start the engine and warm it up with all the accessories switched off (Procedure E).
(f) Drive the vehicle at between 38 mph and 75 mph (60 km/h and 120 km/h) and at an engine speed of between 1400 rpm and 3200 rpm for 3 to 5 minutes (Procedure F).

HINT:
If the system is still malfunctioning, the MIL will be illuminated during procedure "F".
| NOTICE: If the conditions in this test are not strictly followed, no malfunction will be detected. |
16 CHECK WHETHER DTC OUTPUT RECURS (DTC P0171, P0172, P0174 OR P0175)
(a) Select the following menu items: DIAGNOSIS / ENHANCED OBD II / DTC INFO / PENDING CODES.
(b) Read the DTCs.
Result 

END
Oxygen Sensor Circuit
Fuel Pump Primary CircuitInspection
1. INSPECT PACK CLEARANCE OF FORWARD CLUTCH
(a) Install the forward clutch on the oil pump.
NOTICE:
Be careful not to damage the oil seal ring of oil
pump.
b) Using a dial indicator, measure the forward clutch
pack clearance while applying and releasing
compressed air (392 kPa, 4.0 kgf/cm ...
Charge Warning Light Comes ON while Driving
INSPECTION PROCEDURE
1 CHECK LOCK FUNCTION OF CLUTCH PULLEY
(a) Check the lock function with the pulley installed in the
vehicle.
(1) Visually check that the rotor in the generator
operates with the engine started.
(b) Check the lock function with the pulley removed from the
vehicle.
( ...
Selecting the audio
source
Switching between audio sources such as radio and CD are
explained in this section.
Changing audio source
Press the “AUDIO” button to display the audio source selection
screen.
If the audio source selection screen is not displayed, press the “AUDIO”
button again.
Select the des ...