DTC P0500 Vehicle Speed Sensor "A"
DESCRIPTION
The speed sensor detects the wheel speed and sends the appropriate signals to the skid control ECU.
The skid control ECU converts these wheel speed signals into a 4-pulse signal and outputs it to the ECM via the combination meter. The ECM determines the vehicle speed based on the frequency of these pulse signals.


MONITOR DESCRIPTION
The ECM assumes that the vehicle is being driven when the transmission counter gear indicates more than 300 rpm and over 30 seconds have passed since the park / neutral position switch was turned OFF.
If thre is no signal from the vehicle speed sensor with these conditions satisfied, the ECM concludes that the vehicle speed sensor is malfunctioning. The ECM will turn on the MIL and a DTC will be set.
MONITOR STRATEGY

TYPICAL ENABLING CONDITIONS


TYPICAL MALFUNCTION THRESHOLDS

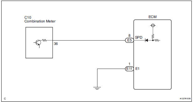
WIRING DIAGRAM

INSPECTION PROCEDURE
HINT: Read freeze frame data using the intelligent tester. The ECM records vehicle and driving condition information as freeze frame data the moment a DTC is stored. When troubleshooting, freeze frame data can be helpful in determining whether the vehicle was running or stopped, whether the engine was warmed up or not, whether the air-fuel ratio was lean or rich, as well as other data recorded at the time of a malfunction.
1 CHECK SPEEDOMETER
HINT:
2 READ VALUE OF INTELLIGENT TESTER (VEHICLE SPEED)
OK: Vehicle speeds displayed on tester and speedometer display are equal.
3 CHECK COMBINATION METER ASSEMBLY (+S VOLTAGE)

Standard voltage

4 CHECK COMBINATION METER ASSEMBLY (SPD SIGNAL WAVEFORM)


Standard voltage

HINT: The output voltage should fluctuate up and down, similarly to the diagram, when the wheel is turned slowly.
5 CHECK HARNESS AND CONNECTOR (COMBINATION METER ASSEMBLY - ECM)

Standard resistance (Check for open)

Standard resistance (Check for short)

REPLACE ECM
Evaporative Emission Control System Leak
Detected
Brake SwitchDisassembly
1. INSPECT PACK CLEARANCE OF FORWARD
CLUTCH
HINT:
(See page AX-242)
2. REMOVE FORWARD MULTIPLE DISC CLUTCH DISC
(a) Using a screwdriver, remove the snap ring.
(b) Remove the flange, 5 discs and 5 plates from the
input shaft assembly.
3. REMOVE FORWARD CLUTCH RETURN SPRING
SUB-ASSEMB ...
ECM / PCM Internal Engine Off Timer Performance
DTC SUMMARY
DESCRIPTION
To ensure the accuracy of the EVAP (Evaporative Emission) monitor values, the
soak timer, which is built
into the ECM, measures 5 hours (+/- 15 minutes) from when the ignition switch is
turned off, before the
monitor is run. This allows the fuel to cool down, whic ...
Diagnostic trouble code chart
HINT:
The parameters listed in the chart may not confirm exactly to
those read during the DTC check due to the type of
instrument or other factors.
If a trouble code is displayed during the DTC check in the
check mode, check the circuit for the code listed in the table
below. For details of ...