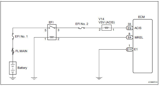
DESCRIPTION
This circuit opens and closes the Intake Air Control Valve (IACV) in response to changes in the engine load in order to increase the intake efficiency (ACIS: Acoustic Control Induction System).
When the engine speed is between 0 and 4450 rpm and the throttle valve opening angle is 60° or more, the ECM supplies current to the VSV (ON status), to close the IACV. Under other conditions, the VSV is usually OFF and the IACV is open.

WIRING DIAGRAM

INSPECTION PROCEDURE
1 PERFORM ACTIVE TEST BY INTELLIGENT TESTER (OPERATE VSV FOR ACIS)
(a) Connect the intelligent tester to the DLC3.
(b) Start the engine and turn the intelligent tester on.
(c) Select the following menu items: DIAGNOSIS / ENHANCED OBD II / ACTIVE TEST / INTAKE CTL VSV1. Operate the VSV for AICS.
OK: Operational noise can be heard.

2 CHECK INTAKE AIR CONTROL VALVE (OPERATION)

(a) Disconnect the V14 VSV for ACIS connector.
(b) Apply battery voltage between the terminals of the air intake valve connector.
(c) Check the air intake valve operation.
OK: Operational noise can be heard.
(d) Reconnect the VSV for ACIS connector.

3 CHECK HARNESS AND CONNECTOR (VSV FOR ACIS - ECM)

(a) Check the wire harness and connectors between the VSV for ACIS and ECM.
(1) Disconnect the V14 VSV for ACIS connector.
(2) Disconnect the E9 ECM connector.
(3) Measure the resistance according to the value(s) in the table below.
Standard resistance :
(4) Reconnect the VSV for ACIS connector.
(5) Reconnect the ECM connector.


4 INSPECT FUSE (EFI NO. 2 FUSE)

(a) Check the EFI No. 2 fuse.
(1) Remove the EFI No. 2 fuse from the engine room junction block.
(2) Measure the EFI No. 2 fuse resistance.
Standard resistance: Below 1 Ω
(3) Reinstall the EFI No. 2 fuse.


5 CHECK HARNESS AND CONNECTOR (VSV FOR ACIS - EFI RELAY)

(a) Check the wire harness between the VSV for ACIS connector and EFI relay.
(1) Remove the EFI relay from the engine room junction block.
(2) Disconnect the V14 VSV connector.
(3) Measure the resistance according to the value(s) in the table below.
Standard resistance :
(4) Reinstall the EFI relay.
(5) Reconnect the VSV connector.


CHECK ECM POWER SOURCE CIRCUIT (See page ES-437)
Cranking Holding Function Circuit
Air Intake Control CircuitProblem symptoms table
HINT:
Use the table below to help determine the cause of the
problem symptom. The potential causes of the symptoms
are listed in order of probability in the "Suspected Area"
column of the table. Check each symptom by checking the
suspected areas in the order they are listed. Re ...
ECU Power Source Circuit
DESCRIPTION
This circuit provides power to operate the theft deterrent (warning) ECU.
WIRING DIAGRAM
INSPECTION PROCEDURE
1 INSPECT FUSE (ECU-B)
Remove the ECU-B fuse from the engine room J/B.
Measure the resistance.
Standard resistance:
Below 1 Ω
2 CHECK INSTRUMENT PANEL ...
Operating Light Control Rheostat does not Change Light Brightness
DESCRIPTION
The meter CPU receives signals for adjusting illumination on the meter from
this circuit. The meter CPU
detects the illumination level selected by the user according to the position of
the rheostat knob.
WIRING DIAGRAM
INSPECTION PROCEDURE
1 READ VALUE OF INTELLIGENT TESTER ...