DESCRIPTION
This circuit provides power to the clearance warning ECU.
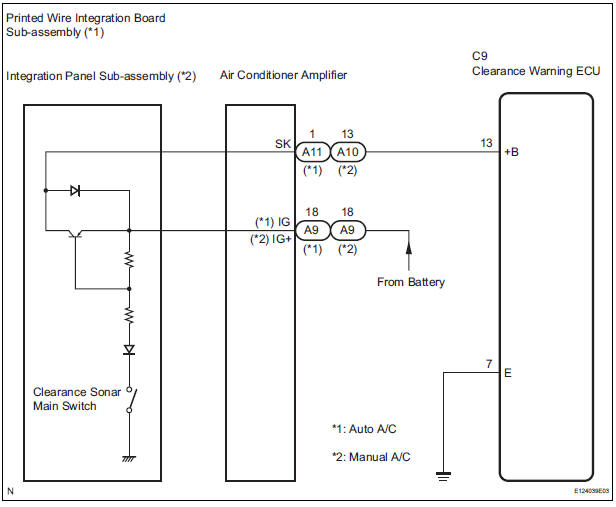
WIRING DIAGRAM

INSPECTION PROCEDURE
1 CHECK HARNESS AND CONNECTOR (CLEARANCE WARNING ECU - AIR CONDITIONER AMPLIFIER)

Standard resistance

2 CHECK HARNESS AND CONNECTOR (CLEARANCE WARNING ECU - BODY GROUND)

Standard resistance

3 INSPECT CLEARANCE WARNING ECU

Standard voltage: 10 to 14 V
Result

PROCEED TO NEXT CIRCUIT INSPECTION SHOWN IN PROBLEM SYMPTOMS TABLE
4 INSPECT PRINTED WIRE INTEGRATION BOARD SUB-ASSEMBLY
OK: Malfunction disappears
REPLACE PRINTED WIRE INTEGRATION BOARD SUB-ASSEMBLY
5 INSPECT INTEGRATION PANEL SUB-ASSEMBLY
OK: Malfunction disappears.
REPLACE INTEGRATION PANEL SUB-ASSEMBLY
No. 1 Clearance Warning Buzzer Circuit
No. 2 Clearance Warning Buzzer CircuitMaster cylinder pressure sensor check (when using sst check wire)
(a) Leave the vehicle in a stationary condition and
release the brake pedal for 1 second or more, and
quickly depress the brake pedal with a force of 98 N
(10 kgf, 22 lbf) or more for 1 second or more.
(b) Check the ABS warning light stays on for 3
seconds.
HINT:
At this time, the ABS wa ...
How to proceed with
troubleshooting
HINT:
Troubleshoot in accordance with the procedures on the
following pages
1 VEHICLE BROUGHT TO WORKSHOP
2 CUSTOMER PROBLEM ANALYSIS CHECK AND SYMPTOM CHECK
3 INSPECT COMMUNICATION FUNCTION OF LARGE-SCALE MULTIPLEX
COMMUNICATION SYSTEM (BEAN)
Use the intelligent tester to check for normal ...
Removal
1. REMOVE REAR BUMPER COVER
Put protective tape under the quarter panel.
Partially the fender liner.
HINT:
Do not remove the fender liner completely but
partially so that the bumper cover can be removed.
Remove the 2 screws and 8 clips.
Using a screwdriver, disengage the claws an ...