
MONITOR DESCRIPTION
While the engine is being cranked, the positive battery voltage is applied to terminal STA of the ECM.
If the ECM detects the Starter Control (STA) signal while the vehicle is being driven, it determines that there is a malfunction in the STA circuit. The ECM then illuminates the MIL and sets the DTC.
This monitor runs when the vehicle is driven at 12.4 mph (20 km/h) for over 20 seconds.

MONITOR STRATEGY

TYPICAL ENABLING CONDITIONS

TYPICAL MALFUNCTION THRESHOLDS

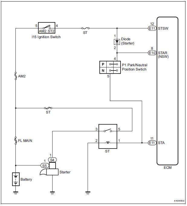
WIRING DIAGRAM

INSPECTION PROCEDURE
HINT:
1 READ VALUE OF INTELLIGENT TESTER (STARTER SIGNAL)
(a) Connect the intelligent tester to the DLC3.
(b) Turn the ignition switch to the ON position and turn the tester on.
(c) Select the following menu items: DIAGNOSIS / ENHANCED OBD II / DATA LIST / ALL / STARTER SIG.
(d) Check the value displayed on the tester when the ignition switch is turned to the ON position and START position.
OK 

2 INSPECT PARK/NEUTRAL POSITION SWITCH

(a) Inspect the Park/Neutral Position (PNP) switch.
(1) Disconnect the P1 PNP switch connector.
(2) Measure the resistance according to the value(s) in the table below.
Standard resistance 
(3) Reconnect the PNP switch connector.

3 READ VALUE OF INTELLIGENT TESTER (STARTER SIGNAL)
(a) Connect the intelligent tester to the DLC3.
(b) Turn the ignition switch to the ON position and turn the tester on.
(c) Select the following menu items: DIAGNOSIS / ENHANCED OBD II / DATA LIST / ALL / STARTER SIG.
(d) Check the value displayed on the tester when the ignition switch is turned to the ON position and the START position.
OK 

4 INSPECT IGNITION SWITCH ASSEMBLY

(a) Disconnect the I15 ignition switch connector.
(b) Measure the resistance according to the value(s) in the table below.
Standard resistance 
(c) Reconnect the ignition switch connector.

5 READ VALUE OF INTELLIGENT TESTER (STARTER SIGNAL)
(a) Connect the intelligent tester to the DLC3.
(b) Turn the ignition switch to the ON position and turn the tester on.
(c) Select the following menu items: DIAGNOSIS / ENHANCED OBD II / DATA LIST / PRIMARY / STARTER SIG.
(d) Check the value displayed on the tester when the ignition switch is turned to the ON position and the START position.
OK 

REPAIR OR REPLACE HARNESS OR CONNECTOR (PNP SWITCH - STA TERMINAL OF ECM)
Control Module Performance
VIN not Programmed or Mismatch - ECM / PCMLocation of the spare tire, jack and tools
Spare tire
Jack handle
Tire bag
Jack
Wheel nut wrench
Adapter socket
Tire strap
WARNINGUsing the tire jack
Observe the following precautions.
Improper use of the tire jack may cause the vehicle to suddenly fall off
the jack, leading to death or serious injury. ...
How to proceed with
troubleshooting
NOTICE:
DTCs for the CAN communication system are as follows:
U0073, U0100, U0122, U0123, U0124, U0126 and U1101.
HINT:
If U0235 or U1102 is output alone, the CAN communication is
normal
1 CHECK AND CLEAR DTCS
HINT:
CAN communication DTCs are output when there is an
open or short in any ...
Data list / active test
1. DATA LIST
Using the intelligent tester to read the Data List allows
the values or states of switches, sensors, actuators and
other items to be read without removing any parts. This
non-intrusive inspection can be very useful because
intermittent conditions or signals may be discovered
befor ...